【金相小课堂】铸铁的金相实验(二)
发布时间:2023-01-10 点击数:3129
灰铸铁石墨的检验
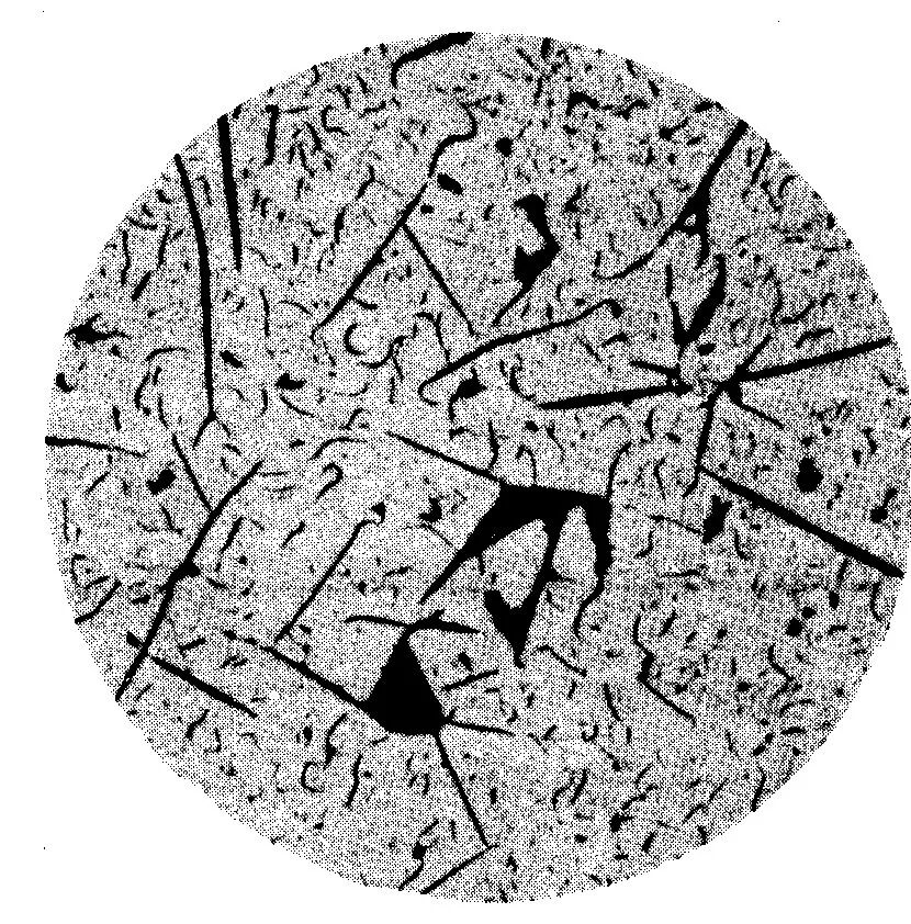
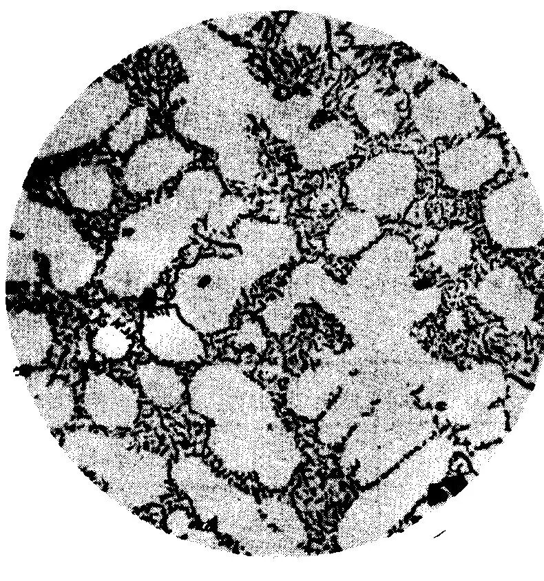
1.石墨分布
①片状(A型)石墨:特征是片状石墨均匀分布。这种石墨一般是共品或接近共品成分的铁水在不大的过冷度下均匀形核和长大而成。
②菊花状(B型)石墨:特征是片状与点状石墨聚集成菊花状。其心部为少量点状石墨,外围为卷曲片状石墨。这种石墨一般是接近共晶成分的铁水经孕育处理后在较大的过冷度下形成。 ③块片状(C型)石墨:特征是部分带尖角块状、粗大片状初生石墨及小片状石墨。这种石墨一般是过共晶成分的铁水在过冷度比较小的情况下形成。 ④枝晶点状(D型)石墨:特征是点状和片状枝晶间石墨呈无向分布。这种石墨是亚共品成分的铁水在较强烈的过冷度下形成。为过冷石墨。 ⑤枝晶片状(E型)石墨:特征是短小片状枝晶间石墨呈有方向分布。这种石墨是亚共晶成分的铁水在比形成 D型石墨为小的过冷度下形成。 ⑥星状(F型)石墨:特征是星状(或蜘蛛状)与短片状石墨混合均匀分布。这种石墨是由较大的块状石墨及其上分布着的小片状石墨所组成。

